分類

適于粒料的入口:防切料入口形狀設計,即便上游充滿物料也可安全啟動.
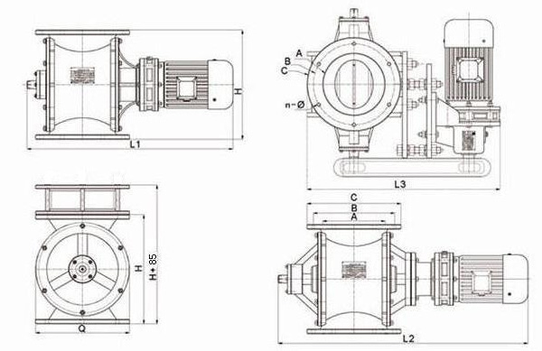
 設置排氣口:將葉輪旋轉帶出的高壓氣體通過排氣口送至排氣裝置,可提高填充效率.[正壓輸送時選用]
 普通型:結構緊湊,占用空間小
 軸承外置式:防止粉塵侵入軸承,增大設備適應溫度的使用范圍.
 驅動方式:鏈驅動/馬達直連驅動.
 動力配置:擺線針輪減速機,Y系列電機[可按需方指定動力配制].
 材質:鑄鐵/碳鋼/201不銹鋼/304L不銹鋼/316L不銹鋼/鈦合金等.

| 型號 | A | B | C | H | Q | L1 (內)  | L2 (外)  | L3 (鏈)  | n-Ф | 工作溫度  ℃  |  轉速 轉/分  | 電機功率KW | 
| 2L | 150 | 200 | 240 | 240 | 180 | 580 | 730 | 560 | 8-Ф13 | 內置≤80 外置≤300  | 0.75 | |
| 3L | 150 | 200 | 240 | 300 | 260 | 620 | 780 | 610 | 0.75 | |||
| 4L | 180 | 240 | 280 | 280 | 260 | 640 | 800 | 630 | 0.75 | |||
| 6L | 200 | 260 | 300 | 300 | 300 | 680 | 820 | 650 | 1.1 | |||
| 8L | 220 | 280 | 320 | 320 | 320 | 710 | 850 | 690 | 1.1 | |||
| 10L | 240 | 300 | 340 | 340 | 340 | 730 | 900 | 710 | 1.1-1.5 | |||
| 12L | 260 | 320 | 360 | 360 | 360 | 780 | 950 | 730 | 1.1-1.5 | |||
| 16L | 300 | 360 | 400 | 400 | 380 | 820 | 1000 | 750 | 1.5 | |||
| 26L | 400 | 460 | 500 | 555 | 450 | 870 | 1200 | 770 | 12-Ф17 | 2.2-3 | ||
| 40L | 500 | 558 | 620 | 620 | 480 | 910 | 1300 | 880 | 3-4 | |||
| 80L | 550 | 620 | 670 | 680 | 500 | 1200 | 1350 | 950 | 4-5.5 | |||
| 150L | 600 | 670 | 720 | 740 | 580 | 1400 | 1600 | 1100 | 5.5-7.5 |